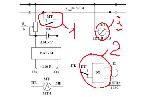
У релсьовой цепи, изображенной на рисунке элемент 1 служит для

Изображение к вопросу
Нажмите, чтобы увеличить
Для подключения аккумуляторов при пропадании основного источника питания
Для приема импульсов с рельсовой цепи
Подачи импульсов в рельсовую цепь
Найти другие ответы на вопросы

Связанные темы

Темы, в которых встречается данный вопрос: